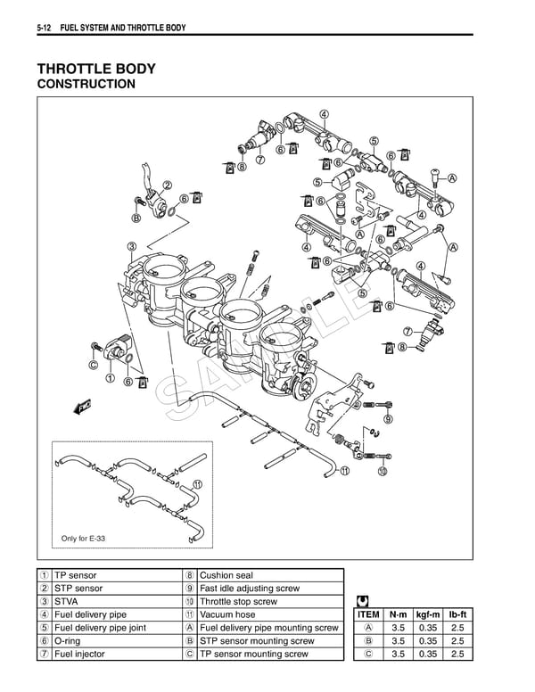
5-12 FUEL SYSTEM AND THROTTLE BODY THROTTLE BODY CONSTRUCTION E L P M A S Only for E-33 1 TP sensor 8 Cushion seal 2 STP sensor 9 Fast idle adjusting screw 3 STVA 0 Throttle stop screw  4 Fuel delivery pipe A Vacuum hose ITEM N·m kgf-m lb-ft 5 Fuel delivery pipe joint A Fuel delivery pipe mounting screw A 3.5 0.35 2.5 6 O-ring B STP sensor mounting screw B 3.5 0.35 2.5 7 Fuel injector C TP sensor mounting screw C 3.5 0.35 2.5

Suzuki GSXR 1000 K5 K6 - Page 269 Suzuki GSXR 1000 K5 K6 Page 268 Page 270