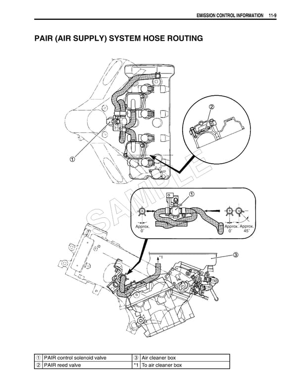
EMISSION CONTROL INFORMATION 11-9 PAIR (AIR SUPPLY) SYSTEM HOSE ROUTING E L P M AApprox. Approx. Approx. S 0˚ 0˚ 45˚ *1 1 PAIR control solenoid valve 3 Air cleaner box 2 PAIR reed valve *1 To air cleaner box
Suzuki GSXR 1000 K5 K6 Page 520 Page 522EMISSION CONTROL INFORMATION 11-9 PAIR (AIR SUPPLY) SYSTEM HOSE ROUTING E L P M AApprox. Approx. Approx. S 0˚ 0˚ 45˚ *1 1 PAIR control solenoid valve 3 Air cleaner box 2 PAIR reed valve *1 To air cleaner box
Suzuki GSXR 1000 K5 K6 Page 520 Page 522