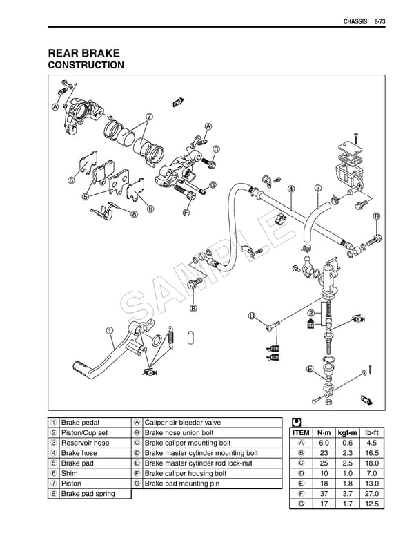
CHASSIS 8-73 REAR BRAKE CONSTRUCTION E L P M A S 1 Brake pedal A Caliper air bleeder valve  2 Piston/Cup set B Brake hose union bolt ITEM N·m kgf-m lb-ft 3 Reservoir hose C Brake caliper mounting bolt A 6.0 0.6 4.5 4 Brake hose D Brake master cylinder mounting bolt B 23 2.3 16.5 5 Brake pad E Brake master cylinder rod lock-nut C 25 2.5 18.0 6 Shim F Brake caliper housing bolt D 10 1.0 7.0 7 Piston G Brake pad mounting pin E 18 1.8 13.0 8 Brake pad spring F 37 3.7 27.0 G 17 1.7 12.5

Suzuki GSXR 1000 K5 K6 - Page 396 Suzuki GSXR 1000 K5 K6 Page 395 Page 397